Skip to Main Content
使用 Internet Explorer的用戶:
瀏覽ROHM 網站不推薦使用 IE11 瀏覽器。為了更方便地使用 ROHM 網站,請更新您的瀏覽器。
新聞
招募資訊
聯絡我們
網站內搜索
羅姆產品
產品對照表
網路通路商庫存
ROHM Header
Global - English
Americas - English
Europe - English
Europe - Deutsch
ASEAN/India - English
简体中文
繁體中文
한국어
日本語
登入 myROHM
製品
放大器/線性
電源管理
馬達/致動器驅動器
MOSFET/電晶體/二極體
保護元件
功率元件
電阻/ 電容(capacitor)
記憶體
時脈/計時器
開關/多工器/邏輯
資料轉換器
感測器/MEMS
顯示驅動器
介面
無線LSI
音響裝置/攝影機
語音合成LSI
微控制器 (MCU)
光電半導體
無線模組/熱感寫印字頭
Foundry Service
放大器/線性
運算放大器
通用
高速
低耗電
低干擾
低偏移
高性能
比較器系列
通用
高速
低耗電
Current Sense Amplifier ICs
電源管理
DC-DC轉換器IC
降壓型 (Buck)
升壓型 (Boost)
升降壓和反相型 (Buck-Boost / Inverting)
AC-DC (Offline) 降壓
反激式切換式穩壓器
Isolated, Optocoupler-less
PWM / Quasi-Resonant AC-DC (Offline)
AC-DC轉換器
PWM / Quasi-Resonant
PFC + Quasi-Resonant Combo
PFC
Secondary Side Synchronous Rectification
AC電壓零交叉檢測IC
線性穩壓器
複合電源(PMIC、系統電源)
LED驅動器
升壓型LED驅動器
降壓LED驅動器
升降壓LED驅動器
多型態LED驅動器
照明專用LED驅動器
免電感型(電荷泵浦)LED驅動器
定電流/序列平行LED驅動器
電壓檢測器(重置IC)
電源管理開關IC
IPD(智能功率元件)
閘極驅動器
絕緣元件內建型閘極驅動器
Isolated Switch Driver (Isolated MOS Driver)
IGBT/MOSFET 高側/低側閘極驅動器
電池管理系統(BMS)用非絕緣型閘極驅動器
GaN用閘極驅動器
無線供電
受電LSI(13.56MHz Wireless Charge)
送電LSI(13.56MHz Wireless Charge)
電池管理
電池充電IC
充電保護IC
Coulomb Counter
鋰電池監控LSI
馬達/致動器驅動器
DC電刷馬達專用
步進馬達專用
單相直流無刷馬達驅動器
三相無刷馬達用
高壓三相直流無刷馬達驅動器
風扇馬達專用
印表機專用
數位相機專用
行動攝影模組專用
閘極驅動器
絕緣元件內建型閘極驅動器
IGBT/MOSFET 高側/低側閘極驅動器
電池管理系統(BMS)用非絕緣型閘極驅動器
GaN用閘極驅動器
MOSFET/電晶體/二極體
MOSFETs
12 to 150V MOSFETs
190-800V功率MOSFET
車電MOSFET
閘極驅動器
絕緣元件內建型閘極驅動器
IGBT/MOSFET 高側/低側閘極驅動器
電池管理系統(BMS)用非絕緣型閘極驅動器
GaN用閘極驅動器
雙載子電晶體
雙載子電晶體
數位電晶體
達靈頓電晶體
多種複合電晶體
IGBT
場截止溝槽型IGBT
Ignition IGBT
IGBT Bare Die
二極體
蕭特基二極體
快速回復二極體
標準整流二極體
齊納二極體
TVS二極體
ESD 保護二極體
切換式二極體
波段開關二極體
PIN 二極體
檢波蕭特基二極體(Schottky Barrier Diode)
保護二極體
齊納二極體
TVS二極體
ESD 保護二極體
IPD(智能功率元件)
保護元件
保護二極體
齊納二極體
TVS二極體
ESD 保護二極體
IPD(智能功率元件)
功率元件
功率電晶體
12 to 150V MOSFETs
190-800V功率MOSFET
車電MOSFET
雙載子電晶體
數位電晶體
功率二極體
蕭特基二極體
快速回復二極體
標準整流二極體
Transient Voltage Suppressor Diode
齊納二極體
SiC功率元件
SiC蕭特基二極體
SiC MOSFETs
SiC電源模組
SiC (碳化矽) 蕭特基二極體Bare Die
SiC (碳化矽) MOSFET Bare Die
GaN功率元件
GaN HEMT
GaN HEMT Power Stage ICs
GaN用閘極驅動器
IGBT
場截止溝槽型IGBT
Ignition IGBT
IGBT Bare Die
IPM
IGBT-IPM
MOS-IPM
閘極驅動器
絕緣元件內建型閘極驅動器
IGBT/MOSFET 高側/低側閘極驅動器
電池管理系統(BMS)用非絕緣型閘極驅動器
電阻/ Capacitors
電阻
Current Detection Resistors (Shunt Resistors)
High Reliability Resistors
Standard Chip Resistors
電容(capacitor)
矽電容
記憶體
序列EEPROM
通用型EEPROM
車用EEPROM
時脈/計時器
CR控制方式計時器IC
開關/多工器/邏輯
標準邏輯IC
邏輯閘
USB 開關 IC
電源管理開關IC
IPD(智能功率元件)
資料轉換器
A/D轉換器
D/A轉換器
音訊轉換器
感測器/MEMS
Current Sensor IC
霍爾IC
照度感測IC
溫度感測IC
震動感測器用放大器
光感測器
顯示驅動器
TN/STN液晶顯示用驅動器
LCD區段驅動器
圖形LCD用 控制器驅動器
低Duty LCD用 控制器驅動器
TFT液晶顯示用驅動器(LCD)
有機EL顯示用驅動器(OLED)
介面
SerDes IC
LVDS介面IC
Gas Water Heaters Interface ICs
多輸入監控IC
LIN收發器
CAN收發器
USB Type-C Power Delivery
無線LSI
Sub-GHz LSI, SoC
Sub-GHz LSI
Sub-GHz SoC
RFID LSI
音響裝置/攝影機
音訊放大器
喇叭放大器
耳機放大器
產品陣容
音響電源
高音質音響用電源
汽車音響用系統電源
音訊處理器
類比音訊處理器
視訊放大器
混合式視訊放大器
螢幕切換器
隔離放大器
音訊轉換器
音訊DAC
圖像LSI
視頻解碼器
視頻編碼器
面向中小型TFT液晶顯示器的顯示屏控制器系列
語音合成LSI
車載用
長時間播放
短時間播放
支持外掛存儲器
語音播放用微控制器(8bit)
微控制器 (MCU)
邊緣計算AI微控制器 (Solist-AI™微控制器)
功率電子控制用微控制器 (LogiCoA™微控制器)
通用型微控制器 (16bit)
Automotive MCUs (32bit)
USB接口及安全功能用微控制器 (32bit)
語音播放用微控制器 (8bit)
光電半導體
晶片LED
晶片式LED (單色型)
晶片式LED (多彩型)
LED燈(單色型)
紅外線發光二極體(NIR:近紅外光)
紅外線發光二極體(SWIR:短波紅外線)
雷射二極體
高輸出半導體雷射二極體
赤外頻段雷射
赤色頻段雷射
多光束雷射
光感測器
光續斷器
Reflective Type Photosensors
紅外線發光二極體(NIR:近紅外光)
紅外線發光二極體(SWIR:短波紅外線)
Phototransistors (NIR: Near Infrared)
照度感測IC
無線模組/熱感寫印字頭
無線通訊模組
特定小功率無線模組(Wi-SUN模組)
EnOcean Modules
Bluetooth® low energy模組
熱感寫印字頭
可移動打印機用系列
標籤印字用
娛樂 / ATM
POS
物流、票券、測量儀器用
標籤 / 條碼
TTO(日期編碼印表機)用
Foundry Service
Thin-Film Piezoelectric MEMS
Wafer (LAPIS)
技術支援
搜尋產品
新產品列表
型錄
影片專區
產品對照表搜尋
封裝一覽
推薦產品搜索
長期供貨計畫
零件選擇工具
同步整流型DC-DC轉換器 MOSFET選擇工具
負載開關用MOSFET的簡易選擇工具
支援頁面
AC-DC轉換器IC
DC-DC電源電路 設計指南
Isolated flyback-type DC-DC Converter
SiC功率元件
設計
Topology Selection
參考設計
APPLICATION NOTES和設計模型
模擬/計算工具
設計模型
ROHM Solution Simulator
LTspice
®
⽤電路模型
Stepping motor for thermal calculations tool
電阻的計算工具
電阻溫度係數(TCR) 計算工具
購買
分銷庫存
網路通路商資訊
學習
研討會資訊
電路設計學習指南
採用與合作案例
媒體刊登文章
與我們聯絡/常見問題
Contact Us
常見問題
解決方案
車載
工業設備
消費性電子設備
功能(功能電路)
車載
xEV
主驅逆變器/牽引逆變器
車載充電器(OBC)- 雙向
車載充電器(OBC)- 單向
車載DC-DC轉換器
車載BMS(電池管理系統)
ADAS
ADAS Domain Controller
ADAS ECU
ADAS雷達
ADAS LiDAR
ADAS聲納
ADAS照相機系統
ADAS照相機監控系統(CMS)
ADAS駕駛員監控系統(DMS)
行車記錄器
車身ECU
電動壓縮機(E-Comp)
車身控制模組(BCM)
HV加熱器/PTC加熱器
LED照明
LED前照燈
LED前照燈 - 自我調整遠光燈
LED尾燈 - 支援冷開機
LED尾燈 - 流水燈點亮
LED尾燈 - 動態控制
停車警示燈
霧燈
資訊娛樂系統/儀錶板
儀錶板/中央資訊顯示幕(CID)
抬頭顯示系統(HUD)
電動機車
主驅逆變器/牽引逆變器
VCU(Vehicle Control Unit)
DC-DC轉換器
車燈
中控儀表板
工業設備
能源
光伏逆變器(PV Inverter)
EV充電樁(Off-board Charger)
工業用AC-DC轉換器
小型UPS - 1kVA
UPS - 10kVA
工業用UPS - 100kVA
工業用電池管理系統(電池包)
智慧電表
馬達
馬達驅動:三相 AC100V-240V 非絕緣
馬達驅動:三相 AC400V 逆變器
馬達驅動:DC12V-48V 工業用
馬達驅動:三相 AC100V-240V AC伺服
安防
氣體洩漏檢測儀(商用,掌上型)
監控器
伺服器/資料中心
電源供應單元(PSU)
備用電池單元(BBU)
AI伺服器主機板
工廠自動化(FA)
工業用LiDAR
AGV
PLC (Programmable Logic Controller) - 電源單元
PLC (Programmable Logic Controller) - 輸入輸出單元
讀碼器
光學式編碼器
安全光柵
基礎設施
基地台 Remote Radio Head (RRH)
消費性電子設備
家電
空調
電冰箱
洗衣機
掃地機器人
IH電鍋
天然氣洩漏警報器 - 家用
火災警報器 - 家用
通訊設備
可聽戴設備
功能(功能電路)
電流檢測
非隔離式電流檢測 - 車載
非隔離式電流檢測 - 工業設備
馬達
工業馬達
邊緣計算AI
完全獨立型AI解決方案 “Solist-AI™”
功能安全「ComfySIL™」
功能安全「ComfySIL™」
購買與服務支援
網路經銷商 庫存查詢
開頭部分符合
▼
開頭部分符合
部分符合
完全符合
購買與服務支援
銷售據點
代理商 網路經銷商
品質認證
其他設施
羅姆集團
生產據點
研發據點 QA中心
物流據點
企業資訊・投資人資訊
公司介紹
股東和投資人資訊
研究開發
文化與社會
永續發展
登入 myROHM
製品
技術支援
解決方案
購買與服務支援
企業資訊・投資人資訊
永續發展
BACK
放大器/線性
電源管理
馬達/致動器驅動器
MOSFET/電晶體/二極體
功率元件
電阻 / 電容(capacitor)
記憶體
時脈/計時器
開關/多工器/邏輯
資料轉換器
感測器/MEMS
顯示驅動器
介面
無線LSI
音響裝置/攝影機
語音合成LSI
微控制器 (MCU)
光電半導體
無線模組/熱感寫印字頭
Foundry Service
BACK
放大器/線性
運算放大器
比較器系列
Current Sense Amplifier ICs
電源管理
DC-DC轉換器IC
反激式切換式穩壓器
AC-DC轉換器
AC電壓零交叉檢測IC
線性穩壓器
複合電源(PMIC、系統電源)
LED驅動器
電壓檢測器(重置IC)
電源管理開關IC
IPD(智能功率元件)
閘極驅動器
無線供電
電池管理
馬達/致動器驅動器
DC電刷馬達專用
步進馬達專用
單相直流無刷馬達驅動器
三相無刷馬達用
高壓三相直流無刷馬達驅動器
風扇馬達專用
印表機專用
數位相機專用
行動攝影模組專用
閘極驅動器
MOSFETs
閘極驅動器
雙載子電晶體
IGBT
二極體
IPD(智能功率元件)
功率電晶體
功率二極體
SiC功率元件
GaN功率元件
IGBT
IPM
閘極驅動器
電阻
電容(capacitor)
記憶體
序列EEPROM
時脈/計時器
CR控制方式計時器IC
開關/多工器/邏輯
標準邏輯IC
USB 開關 IC
電源管理開關IC
IPD(智能功率元件)
資料轉換器
A/D轉換器
D/A轉換器
音訊轉換器
感測器/MEMS
Current Sensor IC
霍爾IC
照度感測IC
溫度感測IC
震動感測器用放大器
光感測器
顯示驅動器
TN/STN液晶顯示用驅動器
TFT液晶顯示用驅動器(LCD)
有機EL顯示用驅動器(OLED)
介面
SerDes IC
LVDS介面IC
Gas Water Heaters Interface ICs
多輸入監控IC
LIN收發器
CAN收發器
USB Type-C Power Delivery
無線LSI
工業設備用無線通信LSI
音響裝置/攝影機
音訊放大器
音訊處理器
視訊放大器
音訊轉換器
圖像LSI
語音合成LSI
車載用
長時間播放
短時間播放
支持外掛存儲器
語音播放用微控制器 (8bit)
微控制器 (MCU)
邊緣計算AI微控制器 (Solist-AI™微控制器)
功率電子控制用微控制器 (LogiCoA™微控制器)
通用型微控制器 (16bit)
USB接口及安全功能用微控制器 (32bit)
語音播放用微控制器 (8bit)
晶片LED
雷射二極體
光感測器
無線通訊模組
熱感寫印字頭
Thin-Film Piezoelectric MEMS
Wafer (LAPIS)
BACK
運算放大器
通用
高速
低耗電
低干擾
低偏移
高性能
比較器系列
通用
高速
低耗電
DC-DC轉換器IC
降壓型 (Buck)
升壓型 (Boost)
升降壓和反相型 (Buck-Boost / Inverting)
AC-DC (Offline) 降壓
Isolated, Optocoupler-less
PWM / Quasi-Resonant AC-DC (Offline)
AC-DC轉換器
PWM / Quasi-Resonant
PFC + Quasi-Resonant Combo
PFC
Secondary Side Synchronous Rectification
LED驅動器
升壓型LED驅動器
降壓LED驅動器
升降壓LED驅動器
多型態LED驅動器
照明專用LED驅動器
免電感型(電荷泵浦)LED驅動器
定電流/序列平行LED驅動器
無線供電
受電LSI(13.56MHz Wireless Charge)
送電LSI(13.56MHz Wireless Charge)
電池管理
電池充電IC
充電保護IC
Coulomb Counter
鋰電池監控LSI
閘極驅動器
絕緣元件內建型閘極驅動器
Isolated Switch Driver (Isolated MOS Driver)
IGBT/MOSFET 高側/低側閘極驅動器
電池管理系統(BMS)用非絕緣型閘極驅動器
GaN用閘極驅動器
MOSFETs
12 to 150V MOSFETs
190-800V功率MOSFET
車電MOSFET
雙載子電晶體
雙載子電晶體
數位電晶體
達靈頓電晶體
多種複合電晶體
二極體
蕭特基二極體
快速回復二極體
標準整流二極體
齊納二極體
TVS二極體
切換式二極體
波段開關二極體
PIN 二極體
檢波蕭特基二極體(Schottky Barrier Diode)
功率電晶體
12 to 150V MOSFETs
190-800V功率MOSFET
車電MOSFET
雙載子電晶體
數位電晶體
功率二極體
蕭特基二極體
快速回復二極體
標準整流二極體
Transient Voltage Suppressor Diode
齊納二極體
SiC功率元件
SiC蕭特基二極體
SiC MOSFETs
SiC電源模組
SiC (碳化矽) 蕭特基二極體Bare Die
SiC (碳化矽) MOSFET Bare Die
GaN功率元件
GaN HEMT
GaN HEMT Power Stage ICs
GaN用閘極驅動器
IGBT
場截止溝槽型IGBT
Ignition IGBT
IGBT Bare Die
IPM
IGBT-IPM
MOS-IPM
閘極驅動器
絕緣元件內建型閘極驅動器
IGBT/MOSFET 高側/低側閘極驅動器
電池管理系統(BMS)用非絕緣型閘極驅動器
電阻
Current Detection Resistors (Shunt Resistors)
High Reliability Resistors
Standard Chip Resistors
Tantalum Capacitors
Extra Large Capacitance, Bottom Electrode Type (TCS)
Large Capacitance, Bottom Electrode Type (TCT/TC)
Standard J-lead Type (TC)
Conductive Polymer Capacitors
Extra Large Capacitance, Bottom Electrode Type (TCSO)
Large Capacitance, Bottom Electrode Type (TCTO)
Standard J-lead Type (TCO)
電容(capacitor)
矽電容
序列EEPROM
通用型EEPROM
車用EEPROM
標準邏輯IC
邏輯閘
TN/STN液晶顯示用驅動器
LCD區段驅動器
圖形LCD用 控制器驅動器
低Duty LCD用 控制器驅動器
工業設備用無線通信LSI
特定小功率無線(Sub-GHz頻段無線)
LPWA無線
搭載MCU的特定小功率無線系統LSI
音訊放大器
喇叭放大器
耳機放大器
產品陣容
音響電源
高音質音響用電源
汽車音響用系統電源
音訊處理器
類比音訊處理器
視訊放大器
混合式視訊放大器
螢幕切換器
隔離放大器
音訊轉換器
音訊DAC
圖像LSI
視頻解碼器
視頻編碼器
面向中小型TFT液晶顯示器的顯示屏控制器系列
晶片LED
晶片式LED (單色型)
晶片式LED (多彩型)
LED燈(單色型)
紅外線發光二極體(NIR:近紅外光)
紅外線發光二極體(SWIR:短波紅外線)
雷射二極體
高輸出半導體雷射二極體
赤外頻段雷射
赤色頻段雷射
多光束雷射
光感測器
光續斷器
Reflective Type Photosensors
紅外線發光二極體(NIR:近紅外光)
紅外線發光二極體(SWIR:短波紅外線)
Phototransistors (NIR: Near Infrared)
照度感測IC
無線通訊模組
特定小功率無線模組(Wi-SUN模組)
EnOcean Modules
Bluetooth® low energy模組
熱感寫印字頭
可移動打印機用系列
標籤印字用
娛樂 / ATM
POS
物流、票券、測量儀器用
標籤 / 條碼
TTO(日期編碼印表機)用
Wireless Charger Modules
13.56MHz (NFC) Wireless Charger Modules
BACK
搜尋產品
零件選擇工具
支援頁面
設計
模擬/計算工具
購買
學習
與我們聯絡/常見問題
BACK
新產品列表
型錄
影片專區
產品對照表搜尋
封裝一覽
推薦產品搜索
長期供貨計畫
Topology Selection
參考設計
APPLICATION NOTES和設計模型
分銷庫存
網路通路商資訊
研討會資訊
電路設計學習指南
採用與合作案例
媒體刊登文章
Contact Us
常見問題
同步整流型DCDC轉換器 MOSFET選擇工具
負載開關用MOSFET的簡易選擇工具
設計模型
ROHM Solution Simulator
LTspice
®
⽤電路模型
AC/DC Designer
Stepping motor for thermal calculations tool
電阻的計算工具
電阻溫度係數(TCR) 計算工具
AC/DC轉換器IC
DC-DC電源電路 設計指南
Isolated flyback-type DC-DC Converter
SiC功率元件
BACK
車載
工業設備
消費性電子設備
功能(功能電路)
BACK
xEV
車身ECU
ADAS
LED照明
資訊娛樂系統/儀錶板
電動機車
能源
馬達
基礎設施
伺服器/資料中心
工廠自動化(FA)
安防
家電
通訊設備
電流檢測
馬達
邊緣計算AI
功能安全「ComfySIL™」
BACK
主驅逆變器/牽引逆變器
車載充電器(OBC)- 雙向
車載充電器(OBC)- 單向
車載DC-DC轉換器
車載BMS(電池管理系統)
電動壓縮機(E-Comp)
車身控制模組(BCM)
HV加熱器/PTC加熱器
ADAS Domain Controller
ADAS ECU
ADAS雷達
ADAS LiDAR
ADAS聲納
ADAS照相機系統
ADAS照相機監控系統(CMS)
ADAS駕駛員監控系統(DMS)
行車記錄器
LED前照燈
LED前照燈 - 自我調整遠光燈
LED尾燈 - 支援冷開機
LED尾燈 - 流水燈點亮
LED尾燈 - 動態控制
停車警示燈
霧燈
儀錶板/中央資訊顯示幕(CID)
抬頭顯示系統(HUD)
主驅逆變器/牽引逆變器
VCU(Vehicle Control Unit)
DC-DC轉換器
車燈
中控儀表板
光伏逆變器(PV Inverter)
EV充電樁(Off-board Charger)
工業用AC-DC轉換器
小型UPS - 1kVA
UPS - 10kVA
工業用UPS - 100kVA
工業用電池管理系統(電池包)
智慧電表
馬達驅動:三相 AC100V-240V 非絕緣
馬達驅動:三相 AC400V 逆變器
馬達驅動:DC12V-48V 工業用
馬達驅動:三相 AC100V-240V AC伺服
基地台 Remote Radio Head (RRH)
電源供應單元(PSU)
備用電池單元(BBU)
AI伺服器主機板
工業用LiDAR
AGV
PLC (Programmable Logic Controller) - 電源單元
PLC (Programmable Logic Controller) - 輸入輸出單元
讀碼器
光學式編碼器
安全光柵
氣體洩漏檢測儀(商用,掌上型)
監控器
空調
電冰箱
洗衣機
掃地機器人
IH電鍋
天然氣洩漏警報器 - 家用
火災警報器 - 家用
可聽戴設備
非隔離式電流檢測 - 車載
非隔離式電流檢測 - 工業設備
工業馬達
功能安全「ComfySIL™」
完全獨立型AI解決方案 “Solist-AI™”
BACK
購買與服務支援
其他設施
BACK
銷售據點
代理商 網路經銷商
品質認證
羅姆集團
生產據點
研發據點 QA中心
物流據點
網路經銷商 庫存查詢
開頭部分符合
部分符合
完全符合
BACK
公司介紹
股東和投資人資訊
研究開發
文化與社會
header-sensor-shield-support
sensor-shield-support_sidenavi_NEW
ROHM半導體感測器評價工具組 TOP
評價板
氣壓感測器
BM1390GLV-EVK-001
加速度感測器
KXTJ3-1057-EVK-002
溫度感測器
BH1900NUX-EVK-001
近接照度感測器
RPR-0521RS-EVK-001
霍爾感測器
BD7411G-EVK-001
溫度感測器
BD1020HFV-EVK-001
Arduino用Shield板
SHIELD-EVK-001
相關資訊
ROHM半導體的感測器
介紹ROHM集團感測器製品的特設網頁
製品特設CSS
08_temperature-sensor
購買溫度感測器模組
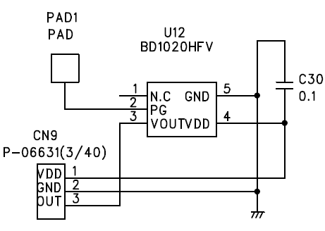
溫度感測器模組 BD1020HFV-EVK-001
庫存
資料表
溫度感測器IC 類比輸出 BD1020HFV
PDF格式: 1.03MB
DOWNLOAD
接腳圖/擴展板資料
電路圖
基板配置
硬體設定
將基板插入Analog區內
設定電源電壓(3.0V)
手冊
BD1020HFV-EVK-001的使用方法
PDF格式: 682KB
DOWNLOAD
軟體
BD1020HFV用軟體(前往同意使用的網頁)
ZIP格式: 3.25KB
DOWNLOAD
Hidden